- All Series >>
- KW5 Micro >>
- KW16 Micro >>
- Fall-Protective >>
- Rs1 Serial Selector >>
- Rs3 Serial Selector >>
- Ss1 Series Toggle Switch >>
 
  
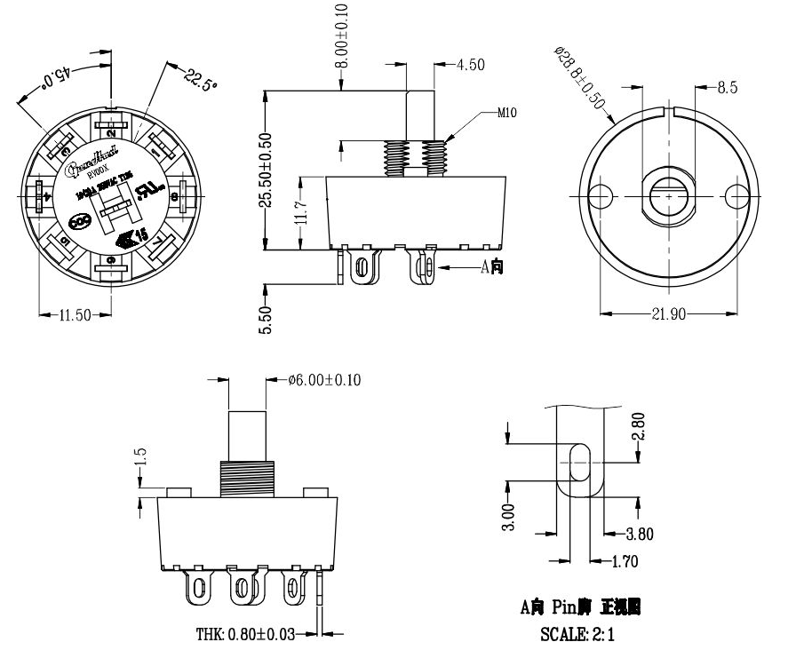
 RS1-1
Rsone serial selector switch series
technical parameters:
1. Insulation resistance:≥100MΩ(50VDC)
2. Contact resistance:≤50mΩ (Lnitial value)
3. Test voltage:
End-End:1500VAC/5S,5mA
Shell with end:1800VAC/5S,5mA
4. Life expectancy:Electrical≥10000 cycles
5.Electrical raring:10(3)A,250VAC,T125
6.Gears andle:45°
7.PTI:175V
Note:Function can be customized according to
customer requirements


 
 