PRODUCTS产品中心
- 全部系列 >>
- KW-5型微动开关系列 >>
- KW-16型微动开关系列 >>
- KW-16B防倾倒开关系列 >>
- RS1型旋转开关系列 >>
- RS3型旋转开关系列 >>
- SS1拨动开关系列 >>
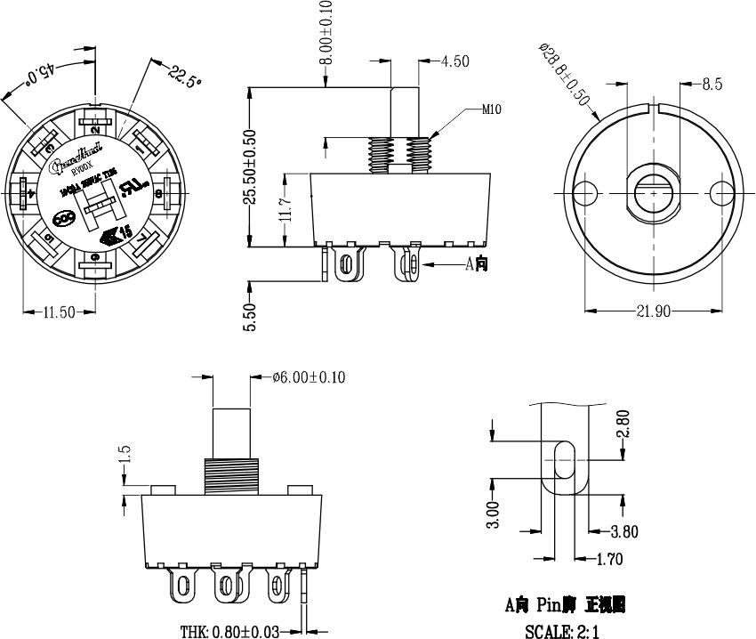
PRODUCTS产品中心 当前位置:首页>产品中心>RS1型旋转开关系列>RS1-1
RS1型旋转开关技术参数:
1、绝缘电阻:≥100MΩ(50VDC)
2、接触电阻:≤50mΩ(初始值)
3、耐电压:
端子-端子之间:1500VAC/5S,5mA
外壳-端子之间:1800VAC/5S,5mA
4、使用寿命:电气≥10000次
5、电气额定值:10(3)A,250VAC,T125
6、旋转角度:45°
7、耐漏电起痕:175V
备注:功能可按客户要求订制
产品描述

